在线资源播放av,av性网站,国产真实偷伦视频,人人人人澡,殴美一级视频,黄色一级片子,久久久久久久久毛片精品

BMD系列馬達

——

產品分類
— PRODUTC —
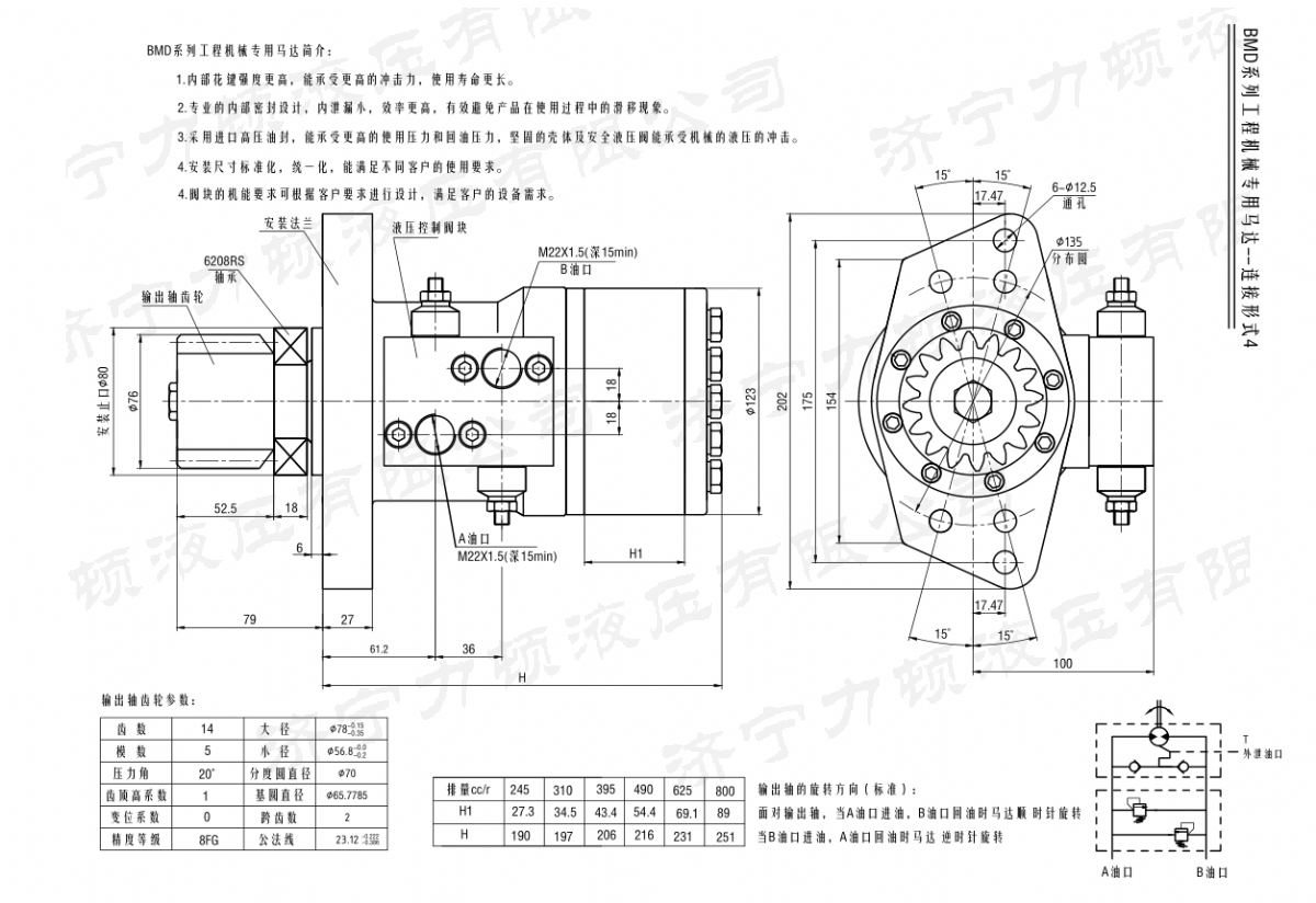
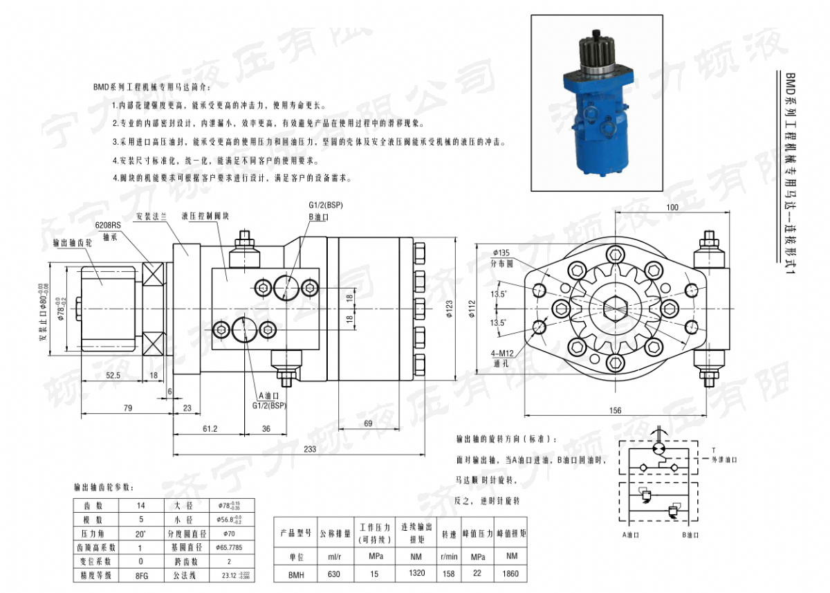
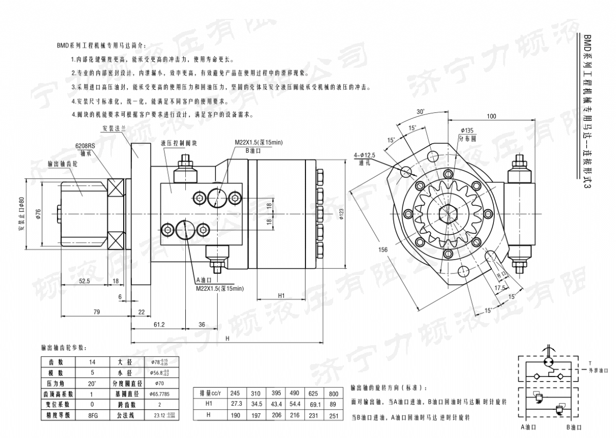
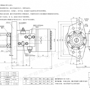
  • BMD系列6孔馬達
    1. BMD系列6孔馬達BMD系列6孔馬達BMD系列6孔馬達BMD系列6孔馬達BMD系列6孔馬達

BMD系列6孔馬達

地址:山東省濟寧市任城區(qū)聚源電商小鎮(zhèn)4號樓21號 

電話/微信:135-0638-8161(張經理)
電話/微信:135-8376-7126(李經理)
電話:0537-2635166
傳真:0537-2635199   2310286


er

信息詳情

BMD系列6孔馬達 2023-7-18 本文被閱讀 2311次
上一條:BMD系列4孔馬達下一條:FRE系列車輪液壓馬達

同類產品